Đồng Hồ Đo Lưu Lượng Điện Từ: Giải Pháp Đo Chính Xác Cho Hệ Thống Nước
Đồng hồ đo lưu lượng điện từ là thiết bị dùng để đo lưu lượng chất lỏng dẫn điện chảy qua đường ống dựa trên nguyên lý cảm ứng điện từ. Đây là dòng thiết bị được sử dụng phổ biến trong các hệ thống đo nước sạch, nước thải, nước công nghiệp và nhiều môi chất lỏng có tính dẫn điện khác.
Trong các hệ thống cấp nước, xử lý nước thải, nhà máy sản xuất hay hệ thống đường ống công nghiệp, nhu cầu đo lưu lượng luôn là một phần rất quan trọng. Nếu chọn sai thiết bị đo, doanh nghiệp có thể gặp nhiều vấn đề như sai số số liệu, khó kiểm soát lưu lượng thực tế, ảnh hưởng đến vận hành hoặc phát sinh tranh chấp trong quá trình nghiệm thu.
Đó cũng là lý do đồng hồ đo lưu lượng điện từ ngày càng được quan tâm trong lĩnh vực thiết bị ngành nước. So với nhiều phương pháp đo truyền thống, dòng thiết bị này được đánh giá cao nhờ khả năng đo ổn định, độ chính xác tốt và phù hợp với nhiều môi trường như nước sạch, nước thải hay hệ thống công nghiệp có yêu cầu kiểm soát dữ liệu chặt chẽ.
Nếu bạn đang tìm hiểu để lựa chọn thiết bị phù hợp cho công trình hoặc hệ thống của mình, bài viết này sẽ giúp bạn hiểu rõ đồng hồ đo lưu lượng điện từ là gì, nguyên lý hoạt động, ưu điểm, ứng dụng thực tế và cách chọn đúng ngay từ đầu.
Đồng hồ đo lưu lượng điện từ là gì?
Đồng hồ đo lưu lượng điện từ là thiết bị dùng để đo lưu lượng chất lỏng dẫn điện chảy qua đường ống dựa trên nguyên lý cảm ứng điện từ. Đây là dòng thiết bị được sử dụng phổ biến trong các hệ thống đo nước sạch, nước thải, nước công nghiệp và nhiều môi chất lỏng có tính dẫn điện khác.
Hiểu đơn giản, khi chất lỏng đi qua thân đồng hồ, thiết bị sẽ ghi nhận vận tốc dòng chảy và chuyển đổi thành lưu lượng để hiển thị trên màn hình hoặc truyền tín hiệu về hệ điều khiển. Nhờ cách đo này, đồng hồ điện từ không cần bộ phận cơ khí quay như nhiều loại đồng hồ truyền thống, từ đó giúp giảm hao mòn và tăng độ ổn định trong quá trình vận hành.
Đồng hồ đo lưu lượng điện từ dùng để làm gì?
Thiết bị này được dùng để đo và giám sát lưu lượng chất lỏng trong nhiều hệ thống khác nhau. Ngoài việc hiển thị số liệu tại chỗ, nhiều model còn hỗ trợ truyền tín hiệu về PLC, SCADA hoặc hệ thống quản lý trung tâm để phục vụ giám sát và điều khiển.
Vì sao đồng hồ đo lưu lượng điện từ được dùng nhiều trong ngành nước?
So với nhiều giải pháp đo khác, đồng hồ điện từ phù hợp với các hệ thống ngành nước nhờ khả năng đo tốt trong môi trường lưu chất có cặn nhẹ, bùn hoặc dòng chảy không quá lý tưởng. Đây là lý do thiết bị này thường xuất hiện trong hệ thống cấp nước, xử lý nước thải, nhà máy sản xuất và các công trình kỹ thuật cần kiểm soát lưu lượng ổn định.
Nguyên lý hoạt động của đồng hồ đo lưu lượng điện từ
Đồng hồ đo lưu lượng điện từ hoạt động dựa trên định luật cảm ứng điện từ Faraday. Khi chất lỏng có tính dẫn điện chảy qua từ trường được tạo ra bên trong thân đồng hồ, một điện áp sẽ phát sinh. Mức điện áp này tỷ lệ với vận tốc dòng chảy của chất lỏng.
Từ tín hiệu đó, bộ chuyển đổi của đồng hồ sẽ tính toán và hiển thị lưu lượng tức thời hoặc lưu lượng tích lũy. Nhờ nguyên lý đo không phụ thuộc vào bộ phận cơ khí quay, thiết bị thường có khả năng vận hành ổn định hơn trong nhiều điều kiện thực tế.
Điều kiện để đồng hồ điện từ đo được
Một điểm quan trọng cần lưu ý là đồng hồ điện từ chỉ hoạt động tốt với chất lỏng có độ dẫn điện nhất định. Vì vậy, thiết bị này phù hợp với nước sạch, nước thải, bùn loãng, nước công nghiệp hoặc một số dung dịch dẫn điện, nhưng không phù hợp với dầu hoặc khí.
Vì sao nguyên lý này giúp đo ổn định hơn?
Do không sử dụng cánh quạt hay bộ phận chuyển động trực tiếp trong dòng chảy, đồng hồ điện từ có thể giảm bớt các ảnh hưởng do ma sát cơ khí. Đây là một trong những lý do giúp thiết bị được đánh giá cao về độ bền và tính ổn định khi vận hành lâu dài.
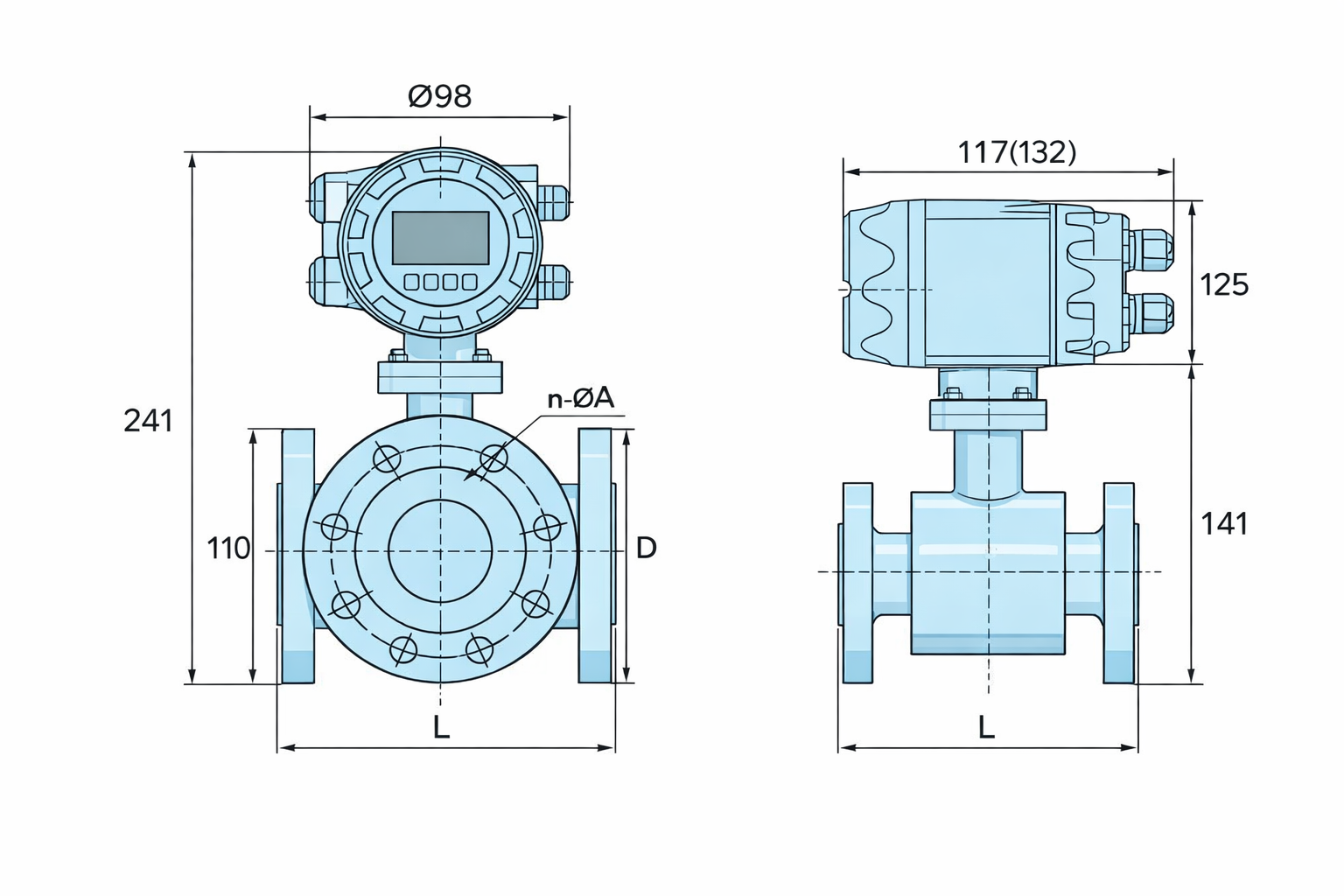
Cấu tạo cơ bản của đồng hồ đo lưu lượng điện từ
Mặc dù mỗi thương hiệu có thiết kế riêng, phần lớn đồng hồ đo lưu lượng điện từ đều gồm các bộ phận cơ bản sau.
Thân đồng hồ
Đây là phần kết nối trực tiếp với đường ống, thường được sản xuất bằng gang, inox hoặc vật liệu phù hợp với môi trường sử dụng. Thân đồng hồ phải chịu được áp lực và điều kiện làm việc của hệ thống.
Lớp lót bên trong
Lớp lót có tác dụng bảo vệ thân đồng hồ và phù hợp với đặc tính môi chất. Tùy từng ứng dụng, nhà sản xuất có thể dùng các vật liệu như PTFE, cao su cứng hoặc các vật liệu chuyên dụng khác.
Điện cực
Điện cực có nhiệm vụ tiếp nhận tín hiệu điện áp phát sinh khi chất lỏng đi qua từ trường. Đây là bộ phận rất quan trọng, ảnh hưởng trực tiếp đến độ ổn định của phép đo.
Bộ hiển thị hoặc bộ chuyển đổi tín hiệu
Bộ phận này nhận tín hiệu từ cảm biến, xử lý dữ liệu và hiển thị lưu lượng tức thời, lưu lượng tổng hoặc truyền tín hiệu ra ngoài như 4-20mA, xung, RS485 hoặc Modbus.
Kiểu màn hình liền và màn hình rời
Một số dòng đồng hồ có màn hình gắn liền trên thân. Một số dòng khác sử dụng màn hình rời để thuận tiện cho việc quan sát ở vị trí lắp đặt khó tiếp cận.
Đồng hồ đo lương lượng nước điện từ màn hình liền SANPO I Minh Hoa Thanh
Ưu điểm nổi bật của đồng hồ đo lưu lượng điện từ
Đồng hồ điện từ ngày càng được ưa chuộng vì mang lại nhiều lợi ích trong vận hành thực tế.
Độ chính xác cao và ổn định
Một trong những ưu điểm lớn nhất của dòng thiết bị này là khả năng đo tương đối chính xác khi được lắp đúng kỹ thuật và chọn đúng theo điều kiện sử dụng.
Không có bộ phận cơ khí quay trong dòng chảy
Điều này giúp thiết bị hạn chế hao mòn cơ khí và phù hợp hơn trong một số môi trường có cặn hoặc tạp chất nhẹ.
Phù hợp cho nhiều hệ thống nước
Từ nước sạch, nước công nghiệp đến nước thải có độ dẫn điện phù hợp, đồng hồ điện từ đều có thể là giải pháp hiệu quả nếu chọn đúng cấu hình.
Dễ tích hợp tín hiệu điều khiển
Nhiều model hỗ trợ tín hiệu 4-20mA, xung, RS485 hoặc Modbus, giúp doanh nghiệp dễ đưa dữ liệu lưu lượng vào hệ thống điều khiển hoặc giám sát từ xa.
Hỗ trợ quản lý số liệu tốt hơn
Trong các hệ thống cần theo dõi lưu lượng để quản lý vận hành, kiểm soát thất thoát hoặc nghiệm thu, đồng hồ điện từ thường mang lại lợi thế lớn về dữ liệu.
Đồng hồ điện từ ngày càng được ưa chuộng vì mang lại nhiều lợi ích trong vận hành thực tế I Minh Hoa Thanh
Đồng hồ đo lưu lượng điện từ được ứng dụng trong những hệ thống nào?
Trong hệ thống nước sạch
Đồng hồ điện từ thường được sử dụng để đo lưu lượng trên các tuyến cấp nước chính, trạm bơm, khu dân cư, nhà máy nước hoặc các hệ thống phân phối nước sạch.
Trong hệ thống xử lý nước thải
Đây là một trong những môi trường ứng dụng rất phổ biến. Thiết bị giúp đo lưu lượng nước đầu vào, nước sau xử lý hoặc các dòng trung gian trong quy trình công nghệ.
Trong nhà máy sản xuất
Nhiều nhà máy dùng đồng hồ điện từ để theo dõi nước làm mát, nước tuần hoàn, nước quy trình hoặc một số dung dịch dẫn điện cần đo liên tục.
Trong hệ thống giám sát và điều khiển
Với các model có đầu ra tín hiệu, doanh nghiệp có thể kết nối đồng hồ với hệ SCADA, PLC hoặc trung tâm điều khiển để theo dõi dữ liệu theo thời gian thực.
Cách chọn đồng hồ đo lưu lượng điện từ đúng cho hệ thống
Chọn đồng hồ điện từ không nên chỉ dựa vào giá bán. Một model phù hợp cần bám đúng nhu cầu kỹ thuật và môi trường vận hành thực tế.
Chọn theo loại chất lỏng cần đo
Đây là bước đầu tiên và quan trọng nhất. Cần xác định môi chất là nước sạch, nước thải, nước có cặn, hóa chất loãng hay chất lỏng công nghiệp để chọn vật liệu lớp lót và điện cực phù hợp.
Chọn theo kích thước đường ống và dải lưu lượng
Không phải cứ đường ống lớn là chọn đồng hồ cùng kích thước mà bỏ qua lưu lượng vận hành thực tế. Trong nhiều trường hợp, cần đối chiếu cả DN đường ống và dải đo để tránh sai số hoặc đo không tối ưu.
Chọn theo vị trí lắp đặt
Nếu vị trí lắp khó quan sát, môi trường ẩm hoặc có rung động, cần cân nhắc giữa màn hình liền và màn hình rời để thuận tiện cho vận hành và bảo trì.
Chọn theo tín hiệu đầu ra
Nếu hệ thống chỉ cần đọc tại chỗ, cấu hình cơ bản có thể đã đủ. Nếu cần kết nối PLC, SCADA hoặc truyền dữ liệu, nên chọn model hỗ trợ 4-20mA, xung hoặc truyền thông số.
Chọn theo áp lực và điều kiện làm việc
Ngoài DN và môi chất, cũng cần lưu ý đến áp lực làm việc, nhiệt độ và điều kiện vận hành để đảm bảo đồng hồ bền và ổn định lâu dài.
Nếu bạn chưa chắc nên chọn đồng hồ điện từ theo DN, lưu lượng hay loại nước thực tế, Minh Hoà Thành có thể hỗ trợ rà nhanh thông số và gợi ý cấu hình phù hợp hơn với hệ thống.
Những sai lầm thường gặp khi chọn đồng hồ đo lưu lượng điện từ
- Chọn theo giá mà bỏ qua môi trường sử dụng
- Không kiểm tra độ dẫn điện của chất lỏng
- Chọn sai dải đo hoặc sai kích thước
- Lắp đặt chưa đúng kỹ thuật
Khi nào nên ưu tiên dùng đồng hồ đo lưu lượng điện từ?
Đồng hồ đo lưu lượng điện từ là lựa chọn đáng cân nhắc khi hệ thống của bạn cần:
-
đo lưu lượng nước sạch hoặc nước thải ổn định
-
lấy số liệu chính xác hơn để theo dõi vận hành
-
kết nối dữ liệu về PLC hoặc SCADA
-
hạn chế các vấn đề do bộ phận cơ khí quay gây ra
-
sử dụng trong hệ thống cần kiểm soát lưu lượng liên tục
Với những yêu cầu này, thiết bị điện từ thường mang lại hiệu quả tốt hơn so với nhiều giải pháp đo truyền thống trong ngành nước.
Nên mua đồng hồ đo lưu lượng điện từ ở đâu để yên tâm hơn?
Khi lựa chọn nhà cung cấp, ngoài giá bán, bạn nên quan tâm đến khả năng tư vấn kỹ thuật, độ rõ ràng về thông số, xuất xứ, hồ sơ kỹ thuật và khả năng hỗ trợ sau bán. Với các hệ thống cần độ ổn định cao, việc chọn đúng thiết bị ngay từ đầu thường quan trọng hơn rất nhiều so với việc chỉ so sánh giá đơn thuần.
Tại Minh Hoà Thành, định hướng tư vấn là bám theo điều kiện vận hành thực tế của hệ thống như DN đường ống, loại nước, yêu cầu tín hiệu, áp lực làm việc và vị trí lắp đặt. Cách tiếp cận này giúp khách hàng dễ chọn đúng cấu hình hơn, hạn chế rủi ro phải thay đổi thiết bị sau khi triển khai.
Kết luận
Đồng hồ đo lưu lượng điện từ là một trong những giải pháp đo lưu lượng đáng chú ý cho hệ thống nước hiện nay nhờ khả năng đo ổn định, độ chính xác tốt và khả năng ứng dụng linh hoạt trong nước sạch, nước thải và môi trường công nghiệp. Tuy nhiên, để thiết bị phát huy hiệu quả, việc chọn đúng model, đúng vật liệu, đúng dải đo và đúng tín hiệu đầu ra là rất quan trọng.
Bạn đang cần chọn đồng hồ đo lưu lượng điện từ cho hệ thống nước sạch, nước thải hoặc nhà máy? Các loại Van công nghiệp hãy gửi DN và loại nước cần đo để Minh Hoà Thành gợi ý cấu hình phù hợp, rõ thông số và sát nhu cầu sử dụng thực tế.
Công ty TNHH TM-DV-XNK Minh Hòa Thành chuyên cung cấp các sản phẩm vật tư ngành nước như van nước, van một chiều , van hai chiều, đồng hồ nước, van giảm áp , van xả khí , van công nghiệp , van cổng ty chìm , van cổng ty nổi , van bướm , van bi , van gas ...Với nhiều xuất xứ hàng hóa như Korea , Taiwan , China ,Việt Nam , Malaysia , Ba Lan ..
Nếu anh/chị cần liên hệ MUA HÀNG, xin hãy liên hệ với đội ngũ kinh doanh của Minh Hoà Thành.
Ms Dung: 0939.666.352
Ms Minh: 0949.666.352
Ms Ghi: 0974.666.352
Ms Trinh: 0906.333.182
Ms Ngân: 0938.222.165
Ms Ánh: 0917.666.358
Email : minhhoathanh@gmail.com




Xem thêm